SWITCH-M5
Выключатели SONOFF предназначены для управления освещением, LED-подсветкой, вытяжкой, любой слабой нагрузкой, запуском сценариев, управлением шторами, открытием ворот или дверей, опросом датчиков по протоколу BLE.
Особенности
- Умные выключатели на 1/2/3 канала (один канал включает в себя механическую кнопку и реле от 6 А);
- Индикация состояния реле и подсветка в ночное время;
- Являются полноценным контроллером с поддержкой Wi-Fi / BLE;
- Установка на место стандартного выключателя;
- Требуется нулевой провод для питания 220 В.
Технические характеристики
| Напряжение | 100-240 В, AC 50/60 Гц |
| Выходной ток | M5-1C: 10 А |
| M5-2C: 10 А (5 А / канал) | |
| M5-3C: 6 А (2 А / канал) | |
| Светодиодная нагрузка | M5-1C: 300 Вт / 220 В, 150 Вт / 110 В |
| M5-2C: 300 Вт / 220 В / канал, 150 Вт / 110 В/ канал | |
| M5-3C: 100 Вт / 220 В / канал, 60 Вт / 110 В/ канал | |
| Каналы | 1, 2, 3 |
| MCU | ESP32 |
| Габариты | 80: 86х71х41,5 мм |
| 86: 86х86х41,5 мм | |
| 120: 120х74х41,5 мм | |
| Wi-Fi | IEEE 802.11 b/g/n 2,4 ГГц, (2400 МГц – 2483,5 МГц) |
| Bluetooth | 4.2 BLE |
| Антенна | Встроенная (на плате) |
| Режим безопасности | WPA/WPA2 |
| Тип шифрования | WEP/TKIP/AES |
| Установка | Внутри помещений |
| Диапазон рабочих температур | -10°C ~ 40°C |
| Допустимая влажность | 5%-95% без конденсата |
| Сечение подключаемых проводов | 0,5 – 1,5 мм |
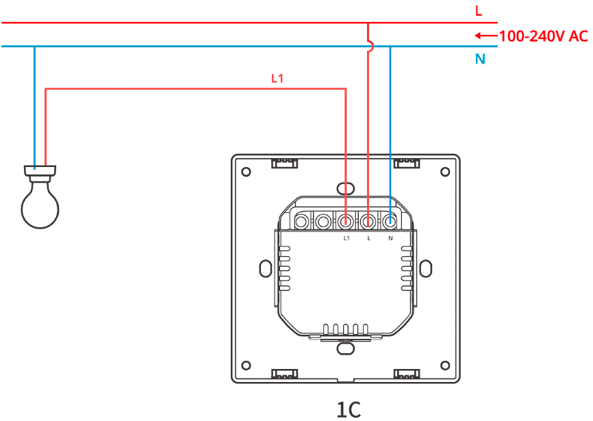
Схема подключения для 1 канала
Приведены примеры возможных схем подключения. Реальная схема подключения зависит от Вашего оборудования.

Схема подключения для 2 каналов
Приведены примеры возможных схем подключения. Реальная схема подключения зависит от Вашего оборудования.

Схема подключения для 3 каналов
Приведены примеры возможных схем подключения. Реальная схема подключения зависит от Вашего оборудования.

Сброс настроек
Сброс настроек можно осуществить двумя способами:
- Воспользоваться Конфигуратором.
- на вкладке Настройки сети перейти в блок Список контроллеров;
- установить отметку в чекбоксе нужной сенсорной панели или контроллера;
- нажать на кнопку Сброс.
Через страницу настроек устройства:
- нажать и удерживать любую клавишу сенсорной панели более 30 секунд;
- подключиться к созданной устройством сети Wi-Fi типа «BLX-SETUP-XXXXXX»;
- будет осуществлен автоматический переход на страницу настроек, на которой можно изменить параметры подключения или сбросить настройки.